简介:新型冷凝式常压热水锅炉则是综合传统常压热水锅炉功能基础上提供的余热利用一体化解决方案,该产品可将排烟温度降低至90℃,热效率高达95-96%,将锅炉的方快一体式冷凝热水锅炉系列为典型的卧式全湿背中心回燃三回程结构,燃料在大炉膛容积中充分舒展,微正压燃烧;并通过先进的冷凝技术对烟气余热进行再吸收,充分利用烟气中显热和潜热的部分,热量被再次投入到锅炉中,进一步提高了锅炉效率,排烟温度只有50℃左右,锅炉热效率可达到96%以上;冷凝器的钢铝复合翅片管结构组成更加合理,导热性能更好,同时提高了锅炉寿命。效率发挥至极限;同时NOx、COx、SOx等有害物 质排放大量减少;更加节能环保。
该锅炉尾部设有烟气冷凝器,有效降低烟气温度(<100℃),提升锅炉效率的同时也减少了烟气中有害气体;主要材质采用耐腐蚀的ND钢,大大延长锅炉使用寿命。


采用烟气梯级余热回收设计思想,充分利用各梯级的烟气,大幅度提升锅炉热效率; 选用知名品牌燃烧器及合理的炉膛结构,燃烧更充分,排放烟气成分符合国家一类地区环保指标,噪声也低于国家标准。
全自动控制,一经投入使用,锅炉即自动运行、自动调节、自动保护,可以定时开关机和按时分段启停。发生突发故障时能及时停炉,排出故障后人工复位,安全性能良好。
水垢探测装置是我公司自主开发的专利技术,它能根据温度的变化情况对受热面的水垢情况进行自动分析,当水垢超标时控制系统会以字幕提示用户及时除垢,使用户不用打开锅炉本体就能实时知道锅炉内部的结垢情况。
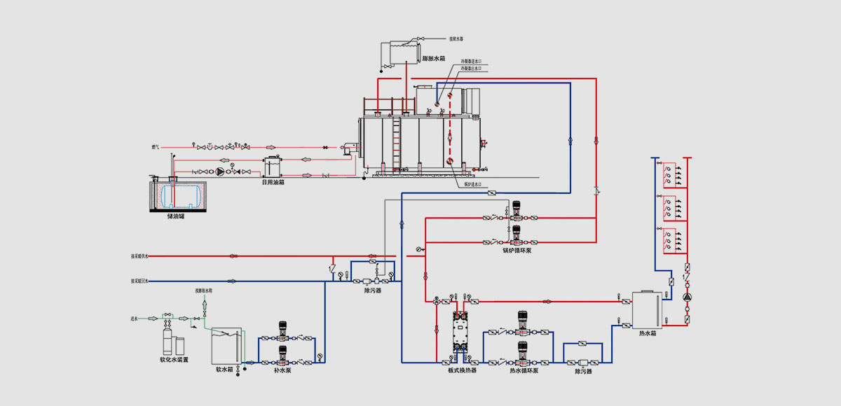
锅炉采用系统化解决方案,整个锅炉系统由锅炉本体、冷凝器、控制阀、控制系统几部分紧密结合的有机整体,各部件配置合理,统一协调;
前烟箱门与面板采用双层密封结构,开闭同步,检修安装方便。
锅炉主要焊缝均采用自动化焊接设备,保证产品质量;
锅内装置及各管口布置合理,优化锅炉内水循环,有效防止水垢产生
循环不畅的薄弱环节设置有手孔、人孔,便于检查和维护;
冷凝余热回收装置采用耐腐蚀的ND钢,大大延长锅炉使用寿命。


蒸汽锅炉控制系统是我公司吸收国外先进技术,结合国内锅炉控制自动化的各种需要和具体应用现状,采用现代控制技术,而推出的新一代锅炉控制系统。适用于燃蒸汽锅炉的自动控制,具有可靠性高、自动化程度高、使用方便、操作简单、功能丰富、控制灵活、造型美观、性能价格比高等优点。
操作界面直观简捷,运行状态一目了然采用高分辨率的触摸屏;可实时动感地显示燃烧器运行状况及火焰的变化状态;全中文的多级弹出式菜单,使锅炉的监控简单化、条理化、智能化;中文故障维修指南,操作简单。

先进性主要体现在:原为依靠外单位加工,现定制加工设备,通过试验制定了内部波胆加工工艺数据。
加工前,应先进行划线,不同的波距应增加对应的收缩量,加工时按划线的位置进行加工。
首先对第一道波进行加热至700℃~750℃,然后通过顶轮逐一进行旋压,全部成形后应进行外观尺寸和减薄量的测试,合格后应根据图纸尺寸进行割边,目前有2台设备。
该设备采用局部加热滚压原理,代替传统的摸压加工波纹炉胆,具有模具少,尺寸控制精确,操作简单方便,加工工件范围大等特点。
| 项目型号 | 额定热功率 | 取暖面积 | 循环水量 | 燃料消耗量 | 最大锅炉尺寸 | 进/出水口 | 排污口 | 烟囱直径 | 通大气口 | 重量 | 备注 | |||
| 轻油 | 天然气 | 长 | 宽 | 高 | ||||||||||
| 单位 | Kcal/h | ㎡ | m³/h | kg/h | Nm³/h | mm | mm | mm | mm | mm | mm | mm | t | |
| CWNSL0.7-95/70-Y、Q | 60×10⁴ | 6000 | 24.1 | 63.6 | 74.3 | 3730 | 1950 | 2430 | DN100 | DN50 | 300 | DN80 | 3.43 |
中心回燃 |
| CWNSL1.4-95/70-Y、Q | 120×10⁴ | 12000 | 48.2 | 128.5 | 142.4 | 3710 | 2270 | 2850 | DN100 | DN50 | 350 | DN125 | 4.55 | |
| CWNSL2.1-95/70-Y、Q | 180×10⁴ | 18000 | 72.2 | 190.9 | 214.1 | 4440 | 2360 | 3220 | DN125 | DN50 | 450 | DN150 | 6.18 | |
| CWNSL2.8-95/70-Y、Q | 240×10⁴ | 24000 | 96.3 | 244.5 | 290.2 | 5170 | 2520 | 3310 | DN125 | DN50 | 450 | DN150 | 6.33 | |
| 通用 | 额定出/进水温度 | ℃ | 95/70 | 额定热效率 | % | 96-98 | 使用电源 | V/Hz | 380/50 |
∗燃料消耗量为安装冷凝器以后的数值;燃料热值:轻油10250kcal/kg、天然气38.3MJ/Nm³;
∗由于技术不断改进,如有变动恕不通知;详细参数请向方快锅炉有限公司总部索要。
| 项目型号 | 额定热功率 | 取暖面积 | 循环水量 | 出水压力 | 燃料消耗量 | 最大锅炉尺寸 | 进/出水口 | 排污口 | 烟囱直径 | 重量 | 备注 | |||
| 轻油 | 天然气 | 长 | 宽 | 高 | ||||||||||
| 单位 | Kcal/h | ㎡ | m³/h | MPa | kg/h | Nm³/h | mm | mm | mm | mm | mm | mm | t | |
| WNS2.8-1.0/115(95)/70-Y、Q | 240×10⁴ | 24000 | 53.5(96.3) | 1.0 | 244.4 | 275.2 | 5500 | 3260 | 3680 | DN125 | DN50 | 450 | 8.15 | 中心回然 |
| WNS4.2-1.0/115(95)/70-Y、Q | 360×10⁴ | 36000 | 80.3(144.5) | 367.3 | 414.1 | 6500 | 3530 | 4320 | DN150 | DN50 | 550 | 13.94 | 二回程 | |
| WNS5.6-1.0/115(95)/70-Y、Q | 480×10⁴ | 48000 | 107(192.6) | 491.8 | 554.9 | 7090 | 4030 | 4990 | DN200 | DN50 | 700 | 17.99 | ||
| WNS7-1.0/115(95)/70-Y、Q | 600×10⁴ | 60000 | 133.8(240.8) | 608.8 | 682.4 | 7650 | 4040 | 5090 | DN200 | DN50 | 700 | 20.43 | ||
| WNS14-1.25/115(95)/70-Y、Q | 1200×10⁴ | 120000 | 267.6(481.6) | 1.25 | 1224.9 | 1368.1 | 9280 | 4350 | 5770 | DN250 | DN50 | 900 | 40.46 | |
| 通用 | 额定出/进水温度 | ℃ | 95/70 | 额定热效率 | % | 96-98 | 使用电源 | V/Hz | 380/50 |
∗燃料消耗量为安装冷凝器以后的数值;燃料热值:重油9860kcal/kg、柴油10250kcal/kg、天然气9140kcal/kgNm³、液化石油气24988kcal/kgNm³、城市煤气4500kcal/kgNm³;
∗由于技术不断改进,如有变动恕不通知;详细参数请向方快锅炉有限公司总部索要。
欢迎填写以下表格,留下您的需求、联系电话等信息,并尽可能详细描述产品需求,我们将快速处理您提交的信息,确保您的购买咨询得到及时、准确的回复。